


Red-Green LED Controller
Brand:
Roger Automation
SKU:
B73-LTM
Product Type:
Barrier Arms
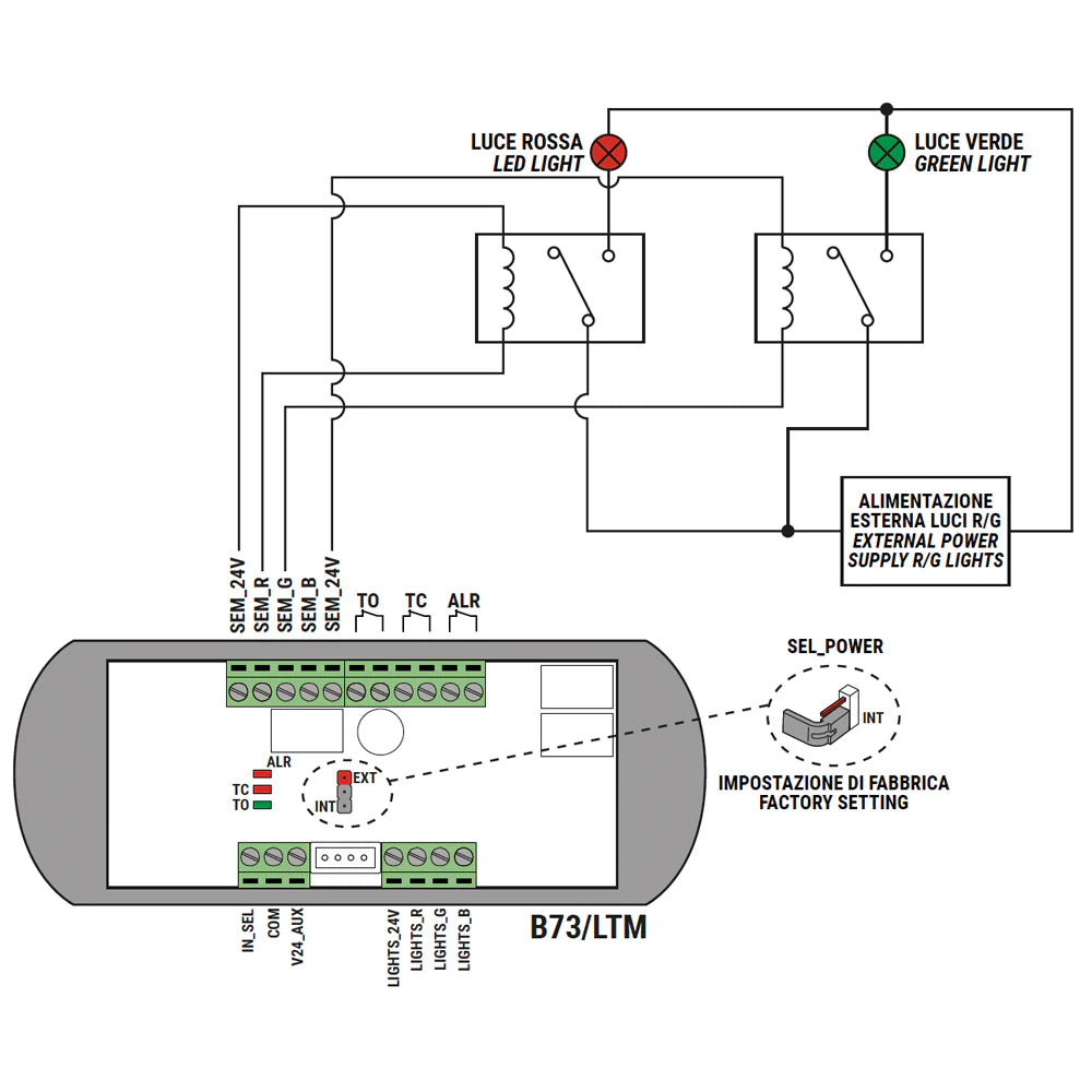
Controller used to configure the Red-Green RGB LED arm light and RGB Head Light on Roger Technology's Bionik barriers.
Extended Description
Documents
Choose options



Red-Green LED Controller
Sale price
Regular price